


Technical Data
|
Standards |
|||
| Design and Manufacture | BS EN 1984 | ||
| Face to face dimensions | BS EN 558-1 | ||
| Flange end dimensions | BS EN 1092-1 | ||
| Butt welding end dimensions | BS EN 12627 | ||
| Inspection and Test | BS EN 12266 | ||
| Temperature and Pressure | BS EN 12516-1 | ||
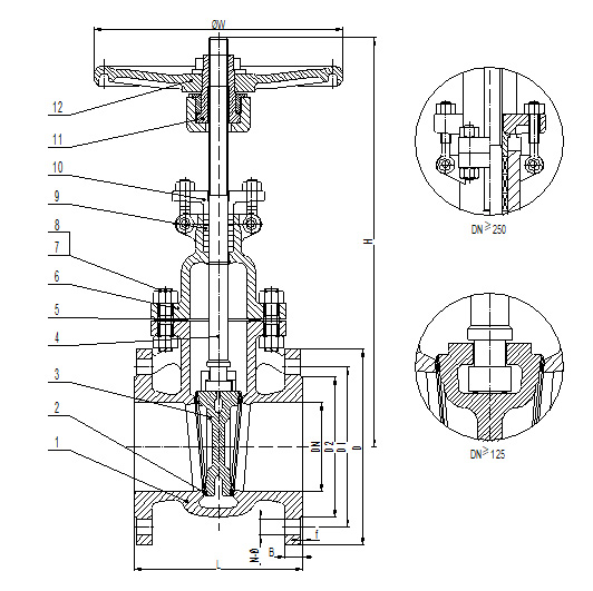
Main Parts Materials
| No | 零件名Part Name | 铸钢 Carbon Steel to EN | 合金钢 Alloy Steel to EN | 不锈钢 Stainless Steel to EN | ||||
| 1 | 阀体 | Body | 1.0619(GS-C25) | A352 LCB | 1.7357 | 1.4308 | 1.4408 | 1.4462 |
| 2 | 阀座 | Seat | 13Cr or Stellite6 | 1.4301 | Stellite6 | 1.4308 or Stellite6 | 1.4408 or Stellite6 | 1.4462 |
| 3 | 闸板 | Wedge | 1.0619(GS-C25)+13Cr | A352 LCB+304 | 1.7357+Stellite | 1.4308 | 1.4408 | 1.4462 |
| 4 | 阀杆 | Stem | 1.4021(X20Cr13) | 1.4301 | 1.4021(X20Cr13) | 1.4301 | 1.4401 | A182 F51 |
| 5 | 垫片 | Gasket | Graphite+SS304 | Graphite+SS304 | Graphite+SS316 | Graphite+SS304 | Graphite+SS316 | Graphite+SS316 |
| 6 | 阀盖 | Bonnet | 1.0619(GS-C25) | A352 LCB | 1.7357 | 1.4308 | 1.4408 | 1.4462 |
| 7 | 螺栓 | Bolt | A193 B7 | A193 L7 | A193 B16 | A193 B8 | A193 B8M | A193 B8M |
| 8 | 螺母 | Nut | A193 2H | A193 4 | A193 4 | A193 8 | A193 8M | A193 8M |
| 9 | 填料 | Packing | Graphite | Graphite | Graphite | Graphite or PTFE | Graphite or PTFE | Graphite or PTFE |
| 10 | 填料压盖 | Gland | 1.0619(GS-C25) | A352 LCB | 1.7357 | 1.4308 | 1.4408 | 1.4462 |
| 11 | 阀杆螺帽 | Stem Nut | 0.7043(GGG40.3) | 0.7043(GGG40.3) | 0.7043(GGG40.3) | Copper Alloy | Copper Alloy | Copper Alloy |
| 12 | 手轮 | Handwheel | Ductile Iron | Ductile Iron | Ductile Iron | Ductile Iron | Ductile Iron | Ductile Iron |
Main Outline and Connetcting Size
| Fig:201- PN16 (EN558-1 series 14) | |||||||||||||||
| DN | mm | 40 | 50 | 65 | 80 | 100 | 125 | 150 | 200 | 250 | 300 | 350 | 400 | 500 | 600 |
| L | mm | 140 | 150 | 170 | 180 | 190 | 200 | 210 | 230 | 250 | 270 | 290 | 310 | 350 | 390 |
| H | mm | 270 | 300 | 350 | 400 | 480 | 515 | 595 | 740 | 880 | 1040 | 1180 | 1360 | 1630 | 2400 |
| W | mm | 180 | 180 | 200 | 220 | 250 | 250 | 300 | 350 | 400 | 450 | 500 | 550 | 600 | 600 |
| Weight | Kg | 11 | 13 | 19 | 26 | 35 | 44 | 54 | 87 | 160 | 205 | 280 | 385 | 685 | 780 |
| Fig:202- PN16 (EN558-1 series 15) | |||||||||||||||
| DN | mm | 50 | 65 | 80 | 100 | 125 | 150 | 200 | 250 | 300 | 350 | 400 | 500 | 600 | - |
| L | mm | 250 | 270 | 280 | 300 | 325 | 350 | 400 | 450 | 500 | 550 | 600 | 700 | 800 | - |
| H | mm | 325 | 350 | 415 | 465 | 545 | 610 | 775 | 905 | 1020 | 1180 | 1300 | 1585 | 1810 | - |
| W | mm | 200 | 200 | 250 | 280 | 300 | 360 | 360 | 400 | 450 | 500 | 500 | 600 | 600 | - |
| Weight | Kg | 23 | 25 | 38 | 45 | 72 | 97 | 169 | 258 | 330 | 470 | 572 | 1180 | 1450 | - |
| Fig:202- PN25 (EN558-1 series 15) | |||||||||||||||
| DN | mm | 50 | 65 | 80 | 100 | 125 | 150 | 200 | 250 | 300 | 350 | 400 | 500 | 600 | - |
| L | mm | 250 | 270 | 280 | 300 | 325 | 350 | 400 | 450 | 500 | 550 | 600 | 700 | 800 | - |
| H | mm | 325 | 350 | 415 | 465 | 545 | 610 | 775 | 905 | 1020 | 1180 | 1300 | 1585 | 1810 | - |
| W | mm | 200 | 250 | 250 | 280 | 300 | 360 | 360 | 400 | 450 | 500 | 500 | 600 | 600 | - |
| Weight | Kg | 23 | 28 | 42 | 56 | 76 | 108 | 182 | 280 | 352 | 495 | 652 | 1250 | 1560 | - |
| Fig:203- PN40 (EN558-1 series 26) | |||||||||||||||
| DN | mm | 50 | 65 | 80 | 100 | 125 | 150 | 200 | 250 | 300 | 350 | 400 | 500 | 600 | - |
| L | mm | 250 | 290 | 310 | 350 | 400 | 450 | 550 | 650 | 750 | 850 | 950 | 1150 | 1350 | - |
| H | mm | 377 | 390 | 418 | 490 | 540 | 630 | 824 | 915 | 1085 | 1190 | 1310 | 1560 | 1875 | - |
| W | mm | 200 | 250 | 250 | 300 | 300 | 360 | 400 | 450 | 500 | 600 | 600 | 650 | 750 | - |
| Weight | Kg | 25 | 33 | 45 | 59 | 78 | 116 | 225 | 360 | 513 | 710 | 955 | 1368 | 2150 | - |
| Fig:203-PN63 (EN558-1 series 26) | |||||||||||||||
| DN | mm | 50 | 65 | 80 | 100 | 125 | 150 | 200 | 250 | 300 | 350 | 400 | 500 | 600 | - |
| L | mm | 250 | 290 | 310 | 350 | 400 | 450 | 550 | 650 | 750 | 850 | 950 | 1150 | 1350 | - |
| H | mm | 380 | 410 | 450 | 525 | 605 | 675 | 820 | 975 | 1115 | 1235 | 1385 | 1500* | 1690* | - |
| W | mm | 200 | 250 | 250 | 300 | 300 | 360 | 400 | 450 | 500 | 600 | 600 | 550* | 550* | - |
| Weight | Kg | 32 | 39 | 53 | 78 | 123 | 176 | 340 | 435 | 560 | 843 | 1310 | 1900 | 3765 | - |
| Fig:203- PN100 (EN558-1 series 26) | |||||||||||||||
| DN | mm | 50 | 65 | 80 | 100 | 125 | 150 | 200 | 250 | 300 | 350 | 400 | - | - | - |
| L | mm | 250 | 290 | 310 | 350 | 400 | 450 | 550 | 650 | 750 | 850 | 950 | - | - | - |
| H | mm | 390 | 415 | 460 | 510 | 625 | 750 | 890 | 1050 | 1208 | 1900* | 2285* | - | - | - |
| W | mm | 200 | 250 | 280 | 300 | 360 | 450 | 500 | 650 | 700 | 460* | 550* | - | - | - |
| Weight | Kg | 42 | 55 | 63 | 101 | 147 | 228 | 450 | 608 | 1020 | 1350 | 1650 | - | - | - |